灑水車的構造和主要結構是怎樣的-程力售后服務中心
簡介:灑水車的構造和主要結構是怎樣的-程力售后服務中心
灑水車的構造和主要結構是怎樣的-程力售后服務中心
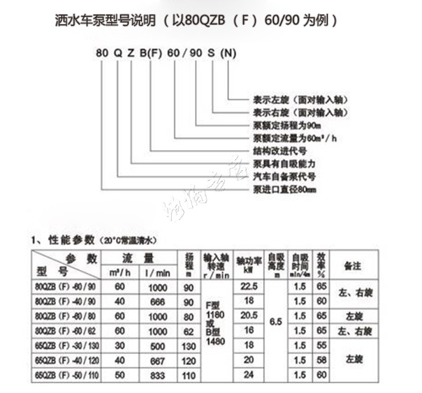
灑水車在我們日常生活中經常看到,為我們城市的美化環境工作做出了重大貢獻,今天小編主要為大家介紹一下灑水車的構造和主要結構。 一、取力器 與各車型變速箱相匹配的專用取力器,氣動操作或手動操作,操作開關向后拉,取力齒進入齒合位置,通過傳動軸帶動水泵工作,開關向前回位,水泵即停止工作。 二、水泵 自吸式葉輪泵系灑水車專用泵。 三、噴水器 灑水車前有鴨嘴形噴嘴或圓頭沖嘴,后面裝有圓柱形灑水砣,側噴花灑蓮花頭。車后部裝有高射噴槍。 噴水器一般用于沖洗街道,起吸塵和降溫作用,其噴水器可以用調節噴嘴螺紋的方法改變噴水器的噴灑方向和角度,高射噴槍可以用于城鄉園林綠化及應急消防車的作用。蓬蓬噴嘴可以澆落路中間噴水器沖起的灰塵,起到清潔空氣的作用。 四、罐體 灑水車罐體結構,罐體為橢圓柱形或方型,用鋼板制成,整車罐體水倉為2-3室,中間隔板下端有通孔,倉內隔板具有防波作用。以減低汽車行駛時罐內液體的沖擊。水出口處裝有防旋板,以防灑水時產生漩渦影響水壓。外表涂防銹漆及裝飾漆。 五、罐口 罐口組件:大蓋由螺栓緊固在罐門頸板上,由一個支銷和一個護板小蓋連接在一起,順時針轉小蓋之上手柄可使小蓋壓緊。反轉,脫開耳板后,小蓋則可打開,大蓋上開有一個30的孔,以便在加水過程中,使罐內的壓力與大氣壓力基本一致。 以上就是關于灑水車構造和主要結構的介紹,希望閱讀后對您有幫助,如果您還有其它問題想要咨詢可以聯系我們。推薦閱讀:當我們購買灑水車的時候需要注意哪些方面?











灑水車的構造和主要結構是怎樣的-程力售后服務中心




